Selfs pour alimentations à découpage

Une question, un problème ou une suggestion, n'hésitez pas : un petit mail

Retour à Outils électroniques

Quelques tests sur les selfs pour alimentations à découpage :

- Calculs,

- Montage de test,

- Résultats de quelques mesures.

Self pour alimentations à découpage

SELF001.JPG

Une self typique pour alimentation à découpage :

- Fil de cuivre émaillé autour d'un tore.

Deux paramètres fondamentaux :

- La valeur de la self (comptée en Henry),

- Le courant de saturation (en Ampère).

Calculs

SELF002.GIF

Exemple (la self de la photo ci-dessus) :

Données fabricant (matériau 2P80 poudre de fer en taille 26,5x14,9x10,7 avec 46 spires) : Al=94 nH, Bsat=1,4 T, le=0,062 m, µ0=1,257 10-6 H/m, µi=90

L=94*46*46=199 µH

Isat=(1,4*0,062)/(1,257 10-6*90*46)=17 A

Principe de la mesure

SELF003.GIF

On applique un échelon de tension à un réseau L/R.

La tension Vb est de la forme : Vb(t)=Va.(1-exp(-R.t/L))

Soit : dV/dt=Va.R/L.exp(-R.t/L)

Si on mesure la pente à l'origine à l'osciloscope (dV/dt)(0) on peut en déduire la valeur de la self :

L=(Va.R)/(dV/dt)(0)

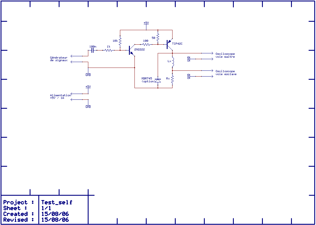
Circuit de mesure

SELF004.GIF

Un simple commutateur de puissance commandé par un générateur de signaux.

Pour une mesure plus précise, le TIP42C peut être remplacé par un MOSFET de puissance (plus faible resistance à l'état passant).

La diode n'est pas nécessaire si le transistor de puissance supporte le pic de tension négative.

Circuit de mesure

SELF005.JPG

Montage assez simple pour une plaque d'expérimentation.

La résistance est formée par les 4 résistances de puissance noires montées en série.

Résultat de mesure

SELF006.JPG

Test de la self ci-dessus avec une résistance de 6 Ohm.

La chute de tension de Va est due à la résistance du TIP42C. Le petit saut à l'origine est dû à la self des résistances de puissance (à éviter).

On mesure une pente de : 120000 V/s (0,6 V en 5 µs)

L'inductance de la self est donc de :

L=(4,6 V*6 Ohm)/(120000 V/s)=230 µH

pour une valeur théorique de 200 µH

Autre résultat de mesure

SELF007.JPG

SELF008.JPG

Test d'une self sur noyau en matériau 3F3.

En haut un test à faible courant (R=100 Ohm, Va=5 V) pour une valeur de self mesurée d'environ 250 µH.

En bas la même self mais mesurée à fort courant (R=6,6 Ohm, Va=4,8 V).

Le comportement est normal jusqu'à ce que Vb atteigne un peu plus d'un Volt soit un courant d'environ 200 mA. C'est à partir de là que le noyau sature provoquant une baisse brutale de l'inductance et une montée plus rapide du courant.

Résultat sur une alimentation à découpage

SELF009.JPG

SELF010.JPG

Comparaison de deux self pour l'alimentation à découpage du thermostat électronique (LM2575-5 en conversion 12 V->5 V).

En haut, la tension de sortie en utilisant la self en poudre de fer décrite ci-dessus et une charge de 6,6 Ohm. L'ondulation est d'environ 25 mV.

En bas, la tension de sortie de la même alimentation avec la même charge mais utilisant une self (de même valeur) en matériau de type 3F3. L'ondulation passe à environ 300 mV, valeur inacceptable même pour l'alimentation de circuits numériques. Heureusement, la tension crête est régulée à 4,9 V par le LM2575-5.

Enfin, lors du calcul ou lors des tests, n'oubliez pas que le courant crête dans la self est supérieur au courant moyen de sortie (souvent le double).