Carte clavier 16 touches/6 leds

Une question, un problème ou une suggestion, n'hésitez pas : un petit mail

Retour à Montages électroniques de base

Une carte clavier/leds avec :

- 16 touches,:

- 6 leds.:

(A utiliser avec la bibliothèque libcla1.zip):

Cette carte est à mon ancien standard d'interconnexion et peut être directement reliée à la carte 8031 "base 1" via des connecteur DIL 16 fils. Pour une nouvelle application je recommande d'utiliser le nouveau standard.

Carte clavier 16 touches/6 leds

CLA1001.JPG

Une photo de la carte en format 160 mm par 100 mm.

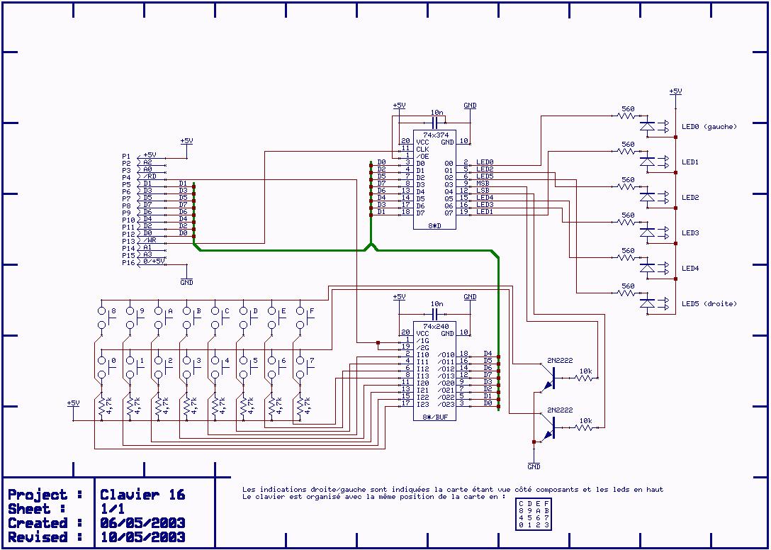
Schéma

CLA1003.GIF

Un schéma simple.

Typon

CLA1005.GIF

Cliquer sur l'image pour faire apparaitre le typon en pleine résolution (92 ko).

La platine fait 160 x 100 mm et la résolution du fichier est de 600 dpi.

Implantation

CLA1006.GIF

L'implantation des différents composants.

Il y a 5 straps à faire côté composants. Le connecteur est un DIL 16 broches. Sur mes cartes je soude directement les fils côté soudures.

Photo côté soudures

CLA1002.JPG

La photo côté soudures sans difficulté particulière.